| 学科专业评审组: | 工程建设组 | | 项目名称: | 浅埋超大采高综采面覆岩破断机理多源耦合分析与安全施工关键技术 |
| 提名单位: | 陕西省煤炭学会 |
| 提名等级: | 二等奖 |
| 提名单位意见: | 本成果聚焦陕北矿区复杂水文地质条件下特厚煤层超大采高智能工作面安全施工中的关键科学问题,依托张家峁煤矿8m超大采高2203、2204智能综采面,按照“理论研究→室内宏细观试验→数值仿真→顶、底板地质灾害发生机理分析→顶、底板地质灾害防治→多源实时监测系统构建→成套设备研制→工程检验”技术路线开展了研究工作。主要创新性工作是:(1)构建了煤岩宏细观破坏机理研究试验平台,得到了煤岩动力损伤破坏宏细观破坏机理。采用创新性机构对顶板进行有效控制,实现采支协同中的护帮板动态调控策略与移架工艺优化。(2)针对顶底板不良地质灾害,提出了综合处置技术,构建了灾害处置效果检验技术,提出底板混凝土置换处置技术。(3)成功研发了适合复杂水文地质条件下浅埋特厚煤层超大采高工作面的采煤机、刮板机、液压支架等成套装备。融合“高频GNSS实时监测+时序InSAR+无人机倾斜遥感测量+有限元~离散元耦合的FDEM数值仿真模拟”,建立了适用于复杂水文地质条件浅埋特厚煤层的开采沉陷自动化监测技术。
本成果对解决我国陕北矿区复杂水文地质条件下浅埋煤层超大采高工作面安全施工具有重要的理论与实践意义。对“千万吨级智能工作面”安全建设,保障我国煤炭稳产稳供做出巨大贡献。
成果材料齐全、规范,无知识产权纠纷,人员排序无争议,符合陕西省科学技术奖提名条件。 |
| 项目简介: | 

|
| 客观评价: | 
|
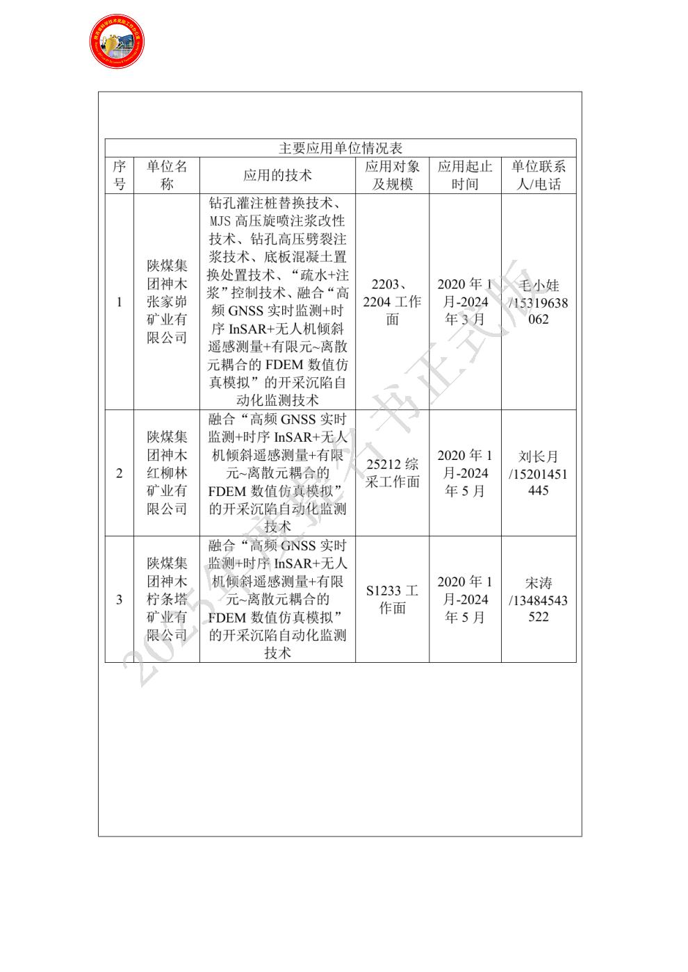
| 应用情况和效益: | 

|
| 主要知识产权和标准规范等目录: | 

|
| 主要完成人: | - 姓名:胡俭
排名:1 行政职务:总工程师 技术职称:高级工程师 工作单位:陕煤集团神木张家峁矿业有限公司 对本项目技术创造性贡献:项目总负责,对项目的组织、策划和实施全面负责,对创新点1、2、3做出了重要贡献,具体贡献如下:①提出超大采高片帮防控设计总体思路,为实现护帮板动态调控和移架工艺优化提出了创新性理念(创新点1);②提出采用多手段融合方法开展井下顶、底板不良水文地质灾害治理工作(创新点2);③提出了“井上开采沉陷+井下矿压显现”耦合监测分析系统思路,指导构建了该耦合监测分析系统(创新点3)。 曾获国家科技奖励情况:2022年12月,《智能化煤矿巨系统关键技术装备研发与示范应用》获2022年度中国煤炭工业协会科学技术奖特等奖,位列第7,2022-T02-R09;
2022年12月,《神府南部矿区低阶煤煤质指标分级体系及利用途径研究》获2022年度中国煤炭工业协会科学技术奖二等奖,位列第13,2022-2151-R13: - 姓名:张琨
排名:2 行政职务:无 技术职称:高级工程师 工作单位:西安科技大学 对本项目技术创造性贡献:作为主要技术负责,对创新点1、2、3作出了重要贡献,具体贡献如下:①提出超大采高智能综采面片帮机理和防控措施的研究思路(创新点1);②提出了超大采高液压支架倾斜、穿底等条件下的合理移架技术方案(创新点2);③为建立适用于复杂水文地质条件浅埋特厚煤层的开采沉陷自动化监测技术提供技术指导(创新点3)。 曾获国家科技奖励情况:近年来,参与完成的“地铁盾构隧道预制管片施工及验收标准”、“彬长矿区富水岩层井简非全深冻结施工技术研究及应用”、冻结法凿井斜井井筒井壁结构及施工技术研究”等多项成果,获得省部级科技进步二等奖3项,三等奖1项。 - 姓名:宋勇军
排名:3 行政职务:无 技术职称:教授 工作单位:西安科技大学 对本项目技术创造性贡献:作为主要参与人,对创新点1、2作出了重要贡献,具体贡献如下:①指导完成煤岩动力损伤破坏宏细观破坏机理研究(创新点1);②提出了“疏水+注浆”控制技术,避免了底板遇水软化灾害的发生(创新点2)。 曾获国家科技奖励情况:陕西省煤炭科学技术奖三等奖,焦坪矿区深部煤矿巷道围岩动力破坏机理及其控制技术,1-2023-3-R02 - 姓名:刘俊峰
排名:4 行政职务:主任工程师 技术职称:研究员 工作单位:中煤科工开采研究院有限公司 对本项目技术创造性贡献:作为主要参与人,对创新点1、3作出了重要贡献,具体贡献如下:①提出“双层伸缩梁+三级护帮”机构实现护帮板动态调控策略与移架工艺优化; ②完成了超大采高一次采全高综采设备选型和配套设计以及验算;完成了考虑超大采高综采工作面矿压的液压支架设计。(创新点3) 曾获国家科技奖励情况:获得省部级科学技术进步一等奖4项、二等奖3项、三等奖3项。
2019年12月,《煤油气共生大采高智能化综采关键技术研究与应用》获2019年度中国煤炭工业协会科学技术奖等奖,位列第12,2019-101-R12;
2019年12月,《450m超长综采工作面开采工艺与成套装备研发与应用》获2019年度中国安全生产协会科技进步奖。 - 姓名:范生军
排名:5 行政职务:副总工程师 技术职称:高级工程师 工作单位:陕煤集团神木张家峁矿业有限公司 对本项目技术创造性贡献:作为主要参与人,对创新点2、3作出了重要贡献,具体贡献如下:①运用地面钻孔检验与孔间地震CT探测技术,对顶板异常区加固效果进行精准评价和检验(创新点2);②完成多手段融合方法的井下工作面矿压显现规律研究监测系统的安装调试; 完成“井上开采沉陷+井下矿压显现”耦合监测系统的安装调试(创新点3)。 曾获国家科技奖励情况:2022年12月,《智能化煤矿巨系统关键技术装备研发与示范应用》获2022年度中国煤炭工业协会科学技术奖特等奖,位列第7,2022-T02-R18;
2021年12月“煤矿辅助运输智能化关键技术与装备研究”中国煤炭工业协会科学技术奖二等奖,位列第2021-271-R11; - 姓名:杨帆
排名:6 行政职务:副总工程师 技术职称:高级工程师 工作单位:陕煤集团神木张家峁矿业有限公司 对本项目技术创造性贡献:作为主要参与人,对创新点2、3作出了重要贡献,具体贡献如下:①对2204工作面架间漏顶灾害进行现场指导工作(创新点2);②完成多手段融合方法的地表自动监测系统的安装调试(创新点3);③完成“井上开采沉陷+井下矿压显现”耦合监测系统的安装调试(创新点3)。 曾获国家科技奖励情况:2020年12月“浅埋煤层开采多源水害防治技术研究”获2020年度中国煤炭工业协会科学技术奖三等奖,位列第2020-302-R09。 - 姓名:刘朝科
排名:7 行政职务:无 技术职称:讲师 工作单位:西安科技大学 对本项目技术创造性贡献:作为主要参与人,对创新点1、3作出了重要贡献,具体贡献如下:①利用多种技术手段,完成了室内试验,参与煤岩宏细观损伤破坏规律分析工作(创新点1);②完成了2203工作面的矿压显现规律分析工作(创新点3)。 曾获国家科技奖励情况:无 - 姓名:毛小娃
排名:8 行政职务:高级主管 技术职称:工程师 工作单位:陕煤集团神木张家峁矿业有限公司 对本项目技术创造性贡献:作为主要参与人,对创新点2、3作出了重要贡献,具体贡献如下:①参与完成了2204工作面顶板不良水文地质灾害治理工作(创新点2);②通过“井上开采沉陷+井下矿压显现”耦合监测系统,分析得到超大采高工作面的“井下+井上”的耦合变形规律(创新点3)。 曾获国家科技奖励情况:无
|
| 主要完成单位及创新推广贡献: | - 单位名称:西安科技大学
单位贡献:西安科技大学作为“浅埋超大采高综采面覆岩破断机理多源耦合分析与安全施工关键技术”项目的第一完成单位,主要负责为研究和应用过程中提供技术支持,协助项目组织、策划和实施的顺利完成,制定项目研究总体方案,技术路线,研究内容和方案等,具体贡献如下:(1)制定了本项目的试验与理论研究总体方案。(2)开展了煤岩动力损伤破坏宏细观破坏机理研究,采用三轴压缩试验,辅以核磁共振测试、声发射监测及SHPB动力试验等技术手段,得到了煤岩宏细观损伤破坏规律。(3)对于浅埋特厚煤层存在的顶、底板不良水文地质灾害,提出了综合不良地质灾害处置技术。(4)为准确、全面的超大采高首采面矿压显现规律研究提供技术指导,为井下矿压规律与井上地表沉降协同分析提供理论支撑。对创新点1、2、3有贡献。
- 单位名称:陕煤集团神木张家峁矿业有限公司
单位贡献:作为“浅埋超大采高综采面覆岩破断机理多源耦合分析与安全施工关键技术”项目的主要完成单位,陕煤集团神木张家峁矿业有限公司开展了较为系统的深入研究,共同负责研究和应用的全过程,确保项目组织、策划和实施的顺利完成,营造良好的现场检验环境,提供配套机械设备,保证科研资金投入等,具体贡献如下:(1)主要参与完成了2204工作面现场灾害治理实施工作以及对顶板异常区加固效果的精准评价和检验工作,(2)参与研究了超大采高综采工作面矿压显现规律。协同建立了适用于浅埋煤层的开采沉陷自动化监测技术,实现了地表自动监测系统多维度、多元化、共享化新突破。(3)指导完成了“井上开采沉陷+井下矿压显现”耦合监测成套自动化监测理论与技术的构建。对创新点2、3有贡献。
- 单位名称:天地科技股份有限公司
单位贡献:天地科技股份有限公司作为“浅埋超大采高综采面覆岩破断机理多源耦合分析与安全施工关键技术”项目的主要完成单位,负贵为项目提供技术支持,工作面成套装备选型配套、液压支架及综采装备设计研发。(1)提出“双层伸缩梁+三级护帮”机构实现护帮板动态调控策略与移架工艺优化;(2)根据地质赋存条件完成了工作面液压支架、采煤机、刮板运输机的“三机”选型,给出了成套设备的参数。对创新点1、3有贡献。
|
| 完成人合作关系说明: | 完成人合作关系说明:1
|